

聯系我們
手機:138 6181 3595
電話:0510-83383977
網址:wx-lsgyb.com
郵編:214181
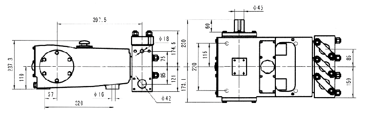
3LSP40型三柱塞往復泵


※ 適用于試壓泵、清洗泵、流程泵、甲醇水洗泵、膜分離提氫泵、液態二氧化碳泵、食品均質泵、洗滌劑料漿泵。
※ 組裝型式:有臥式、立式、固定式、移動式。
※ 傳動型式:有電動機、柴油機、齒輪箱、皮帶輪、電磁調速、變頻調速。
※ 表中技術參數作為選型參考,每個品種的泵都裝有安全調壓閥,泵的壓力可任意調節。
※ 你選型時表中流量不合適,可用電磁調速,變頻調速,變換柱塞直徑來調節流量,滿足選型需要。
※ 泵體材料有合金鋼、馬氏體、奧氏體不銹鋼、316、316L雙相鋼。
